Improvement of this project:
- To design an Odor identification system for Volatile Organic compounds of Almond, Broccoli, Cloves, Ginger and so on.
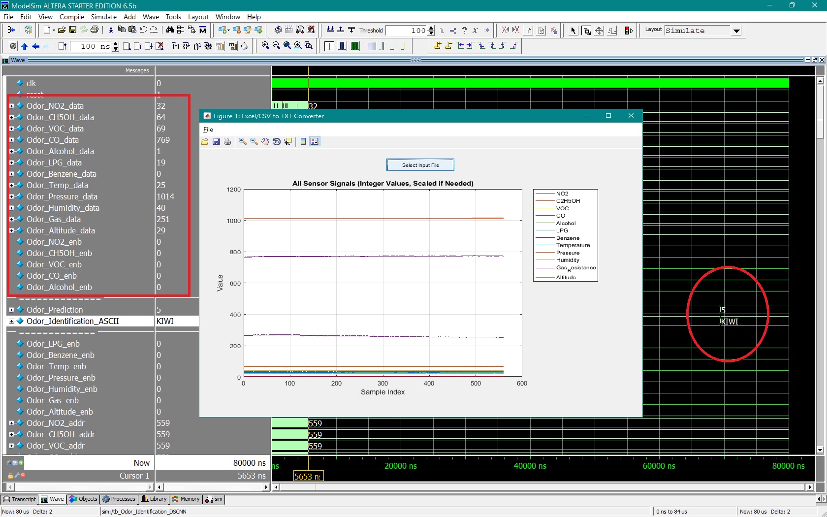
- To verified the dataset sensor input of NO2, C2H5OH, VOC, CO, Alcohol, LPG, Benzene, Temperature, Pressure, Humidity, Gas, and Altitude.
- The all sensor input given to depthwise separable convolution at 26×26 input size and process the CNN steps to reduced 24×24, 12×12, 6×6 and 3×3 with support of Maxpool operations.
- The final max pooling output of 3×3 will used for Multiclass Classification, and predict odor data’s.
- This work developed in Verilog HDL and synthesize using Xilinx Vertex-5 FPGA and compare all the parameters in terms of area, delay and power.
Proposed Abstract:
Odor identification systems have growing applications in food quality monitoring, medical diagnosis, and environmental safety because they can provide fast and non-destructive analysis compared to human sensory evaluation. These systems are advantageous due to their portability, real-time operation, and high sensitivity, but still face disadvantages such as reduced accuracy in multiclass odor recognition and high computational demand when using complex deep learning models. Conventional electronic nose designs often rely on simple machine learning algorithms that compromise accuracy, while high-performing convolutional neural networks are difficult to implement on low-cost embedded hardware due to area, power, and latency constraints. To address this limitation, the proposed work develops an odor identification system for volatile organic compounds including almond, broccoli, cloves, ginger, and related smells, using a verified dataset collected from multiple sensors such as NO2, C2H5OH, VOC, CO, Alcohol, LPG, Benzene, along with environmental parameters like temperature, pressure, humidity, and altitude. These heterogeneous sensor inputs are structured into a 26×26 input feature map and processed through depthwise separable convolution layers with successive max-pooling operations, reducing the feature dimensions to 3×3 for final multiclass classification. The novelty of this work lies in integrating depthwise separable CNNs with FPGA hardware acceleration to achieve low-area and low-power real-time odor prediction while maintaining classification accuracy across multiple odor categories. The entire architecture is developed in Verilog HDL and synthesized on a Xilinx Virtex-5 FPGA, where performance is evaluated in terms of area utilization, delay, and power consumption. Comparative analysis with existing CNN-based odor recognition demonstrates that the proposed design achieves a balanced trade-off between hardware efficiency and odor identification accuracy, offering a promising solution for embedded odor sensing applications.
Software Implementation:
- Xilinx
- Modelsim
- MATLAB
” Thanks for Visit this project Pages – Buy It Soon “
FPGA-Accelerated Deep Separable Convolutional Network using Odor Identification of Volatile Organic Compounds
Terms & Conditions:
- Customer are advice to watch the project video file output, before the payment to test the requirement, correction will be applicable.
- After payment, if any correction in the Project is accepted, but requirement changes is applicable with updated charges based upon the requirement.
- After payment the student having doubts, correction, software error, hardware errors, coding doubts are accepted.
- Online support will not be given more than 3 times.
- On first time explanations we can provide completely with video file support, other 2 we can provide doubt clarifications only.
- If any Issue on Software license / System Error we can support and rectify that within end of the day.
- Extra Charges For duplicate bill copy. Bill must be paid in full, No part payment will be accepted.
- After payment, to must send the payment receipt to our email id.
- Powered by NXFEE INNOVATION, Pondicherry.
Payment Method :
- Pay Add to Cart Method on this Page
- Deposit Cash/Cheque on our a/c.
- Pay Google Pay/Phone Pay : +91 9789443203
- Send Cheque through courier
- Visit our office directly
- Pay using Paypal : Click here to get NXFEE-PayPal link
Bank Accounts
HDFC BANK ACCOUNT:
- NXFEE INNOVATION,
HDFC BANK, MAIN BRANCH, PONDICHERRY-605004.
INDIA,
ACC NO. 50200090465140,
IFSC CODE: HDFC0000407.

